
Preview
CU4 1000-006
The CU4 gas spring is a very compact Bore Sealed gas spring with impressive force in a compact body.
The maximum frequency for the spring is 100 strokes/ minute.
Springs with stroke lengths over 25 mm should always be attached to the tool, using a flange or the tapped holes in the bottom of the spring. We also recommend fixing of shorter stroke springs for optimal service life. The maximum frequency for the spring is 100 strokes/minute.
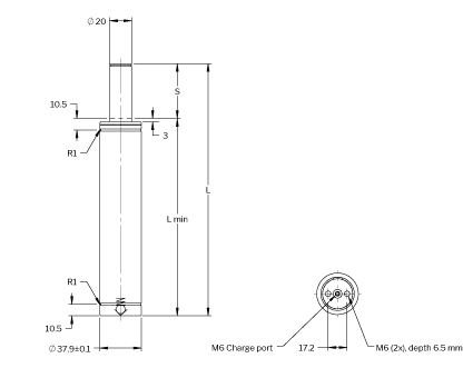
Diagram / specifications section

Preview
| L min | Minimum Length (in) | 2.17 |
| S | Stroke Length (in) | 0.24 |
| L | Total Length (in) | 2.4 |
Item specifications
- End Force At Full Stroke (LBF)3595
- Force Increase By Temperature Percent Per (°F)0.17
- Gas Volume (CuF)0.000494405
- Initial Force at max. pressure (lbf) 2400
- Max Charging Pressure (Psi)2175
- Max Piston Rod Velocity (FtMin)157.48
- Max. Operating Temperature (F)176
- Min Charging Pressure (PSI)362
- Min. Operating Temperature (F)32
- Recommended Max Strokes Per Minute~ 100
- Weight (lb)0.726


